Saturday, January 22, 2011

115.

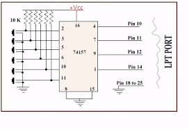
Most people who visit this blog have their fingers are acquainted with this. Identify this circuit and what it creates.

1 comment:

Nanda said...

This is the circuit of a quiz buzzer.